autoua
×
Это мобильная версия форума. Перейти на обычную версию форума ×
Вход
Autoua.netФорумРадіо

перепайка тангенты 450s -> vx7r

maia | важничающий писатель **
перепайка тангенты 450s -> vx7r
22 мая 2008 в 11:21
пробовал вчера вечером, вроде как получилось, но както не так... на передачу открывается, на прием в динамике тангенты ничего не слышно, тоесть слышно но както волнами.

может подскажет кто, как это сделать правильно?
El Erizo | Hombre Rayo **
Re: перепайка тангенты 450s -> vx7r
[Re: maia] 22 мая 2008 в 12:52
Прикріплені файли (0 завантажити)
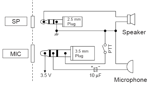
По идее, правильно так:

По идее, правильно так:
El Erizo | Hombre Rayo **
Re: перепайка тангенты 450s -> vx7r
[Re: maia] 22 мая 2008 в 13:02
Прикріплені файли (0 завантажити)
А вот как было для Kenwood:

А вот как было для Kenwood:
maia | важничающий писатель **
Re: перепайка тангенты 450s -> vx7r
[Re: El Erizo] 22 мая 2008 в 13:24
именно по этим картинкам и ориентировался в процессе, однако не заработало. т.е. заработало, но подозреваю какая-то лажа с кондерами\резисторами, т.к. в тангенте они есть на плате... а разводка платы в общемто не ясна что и куда.. поэтому и не работает как надо
El Erizo | Hombre Rayo **
Re: перепайка тангенты 450s -> vx7r
[Re: maia] 22 мая 2008 в 14:32
Хм... Более чем странно, что проблема с динамиком, т.к. различия имеются только в цепи майка, тогда как динамик в обоих случаях висит напрямую между выходом и землей без чего либо еще...
Autoua.netФорумРадіо

перепайка тангенты 450s -> vx7r

Додаткова інформація
Модератор:

 plexmen, moderator 

0 користувачів і 7 що побажали залишитися невідомими читають цей форум.

Переглядів теми: 2571